Онлайн каталог
Все для узлов вращения
Важное сообщение
Подшипники по суперцене: 23072 CC/C3W33 (SKF) – 3 шт. – 449872,5 руб. без НДС.
 
Шкивы о суперцене: 
Для клиновых ремней: 6SPC1250TB – по 97 134,42 руб. без НДС
Для клиновых ремней по американскому стандарту: 5-8V1250-F (KRB) – 5 шт. – 14896,43 руб. без НДС, 8-8V1250-J (KRB) – 5 шт. – 23057,36 руб. без НДС.

Звоните 88002017515 прямо сейчас!
Упругая муфта PEX 200 часть 1
Упругая муфта PEX 200 часть 1

PEX 200 часть 1

39 201.75 руб. с НДС (розничная)



Упругая муфта PEX 200 часть 1

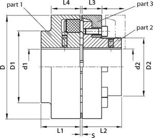
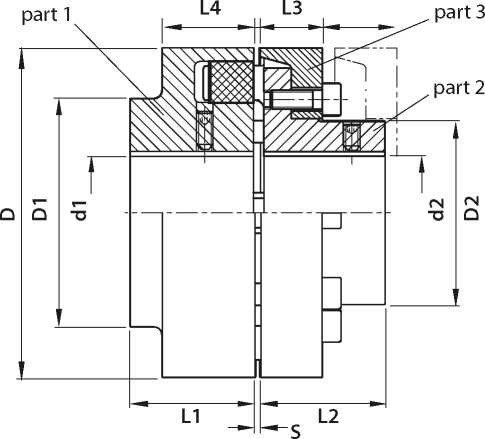
Обозначение:   PEX 200 часть 1

Типоразмер 200
Тип PEX тип A
D, мм 200
D1 макс., мм 122
d1, мм 85
l1, мм 80
s, мм 4
l4, мм 47
Масса часть 1, кг 11
Макс. частота вращения, об/мин. 3400
Смещение осей вала угловое, град. 0.09
Смещение осей вала радиальное, мм 0.3
Смещение осей вала осевое, мм 0.3
Номинальный крутящий момент, Нм 1340
Область применения
Упругая муфта PEX - это кулачковая муфта с упругими элементами, предназначенная для гибкого соединения валов. Упругие элементы имеют хорошую устойчивость к износу, старению, работают при температуре от -30°C до +80°C. Благодаря своей гибкости они хорошо компенсируют вибрацию и шум. Упругие муфты PEX могут широко применяться в машиностроении, везде, где нужно обеспечить надёжное соединение вала между двигателем и приводом.
Муфта PEX производится в вариантах, состоящих из двух частей (тип A) и из трёх частей (тип B).
При использовании муфты типа B можно проводить её замену без смещения элементов привода.
Примечание
Муфта в сборе состоит из полумуфты с кулачками ( состоит из дву частей), полумуфты со впадинами и комплекта эластичных элементов. Материал - серый чугун.
Коды для заказа
Для данной муфты можно заказать следующие комплектующие: PEX 200 часть 2+3PEX 200 часть 4PEX 200 NRB 80 Shore A (8 шт.)