Онлайн каталог
Все для узлов вращения
Важное сообщение
Подшипники по суперцене: 23072 CC/C3W33 (SKF) – 3 шт. – 449872,5 руб. без НДС.
 
Шкивы о суперцене: 
Для клиновых ремней: 6SPC1250TB – по 97 134,42 руб. без НДС
Для клиновых ремней по американскому стандарту: 5-8V1250-F (KRB) – 5 шт. – 14896,43 руб. без НДС, 8-8V1250-J (KRB) – 5 шт. – 23057,36 руб. без НДС.

Звоните 88002017515 прямо сейчас!
Упругая муфта XW1-28
Упругая муфта XW1-28

XW1-28

5 251.60 руб. с НДС (розничная)



Упругая муфта XW1-28

Обозначение:   XW1-28

Типоразмер 28
Тип XW1
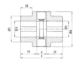
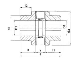
D1 макс., мм 28
d1, мм 62
l, мм 76
l1, мм 28
da, мм 62
s, мм 20
Масса часть 1, кг 0.76
Макс. частота вращения, об/мин. 11100
Смещение осей вала угловое, град. 0.7
Смещение осей вала радиальное, мм 0.3
Смещение осей вала осевое, мм 1.2
Номинальный крутящий момент, Нм 63
Область применения
Упругая муфта Hadeflex - это кулачковая муфта с упругим элементом, предназначенная для гибкого соединения валов. Упругие элементы хорошо работают в условиях повышенного загрязнения, воздействия масел, озона и при температуре от -20°C до +80°C. Благодаря своей гибкости они хорошо компенсируют вибрацию и шум. Упругие муфты Hadeflex могут широко применяться в машиностроении, везде, где нужно обеспечить надёжное соединение вала между двигателем и приводом.

Тип XW

Муфты Hadeflex версии X обеспечивают максимальную эксплуатационную безопасность.

Упругий элемент может поставляться в различных исполнениях с твёрдостью как 92 по Шору, так и 98 по Шору, что позволяет передавать больший крутящий момент.
Примечание
Муфта в сборе состоит из двух полумуфт и упругого элемента. Материал - серый чугун.
Коды для заказа
Для данной муфты можно заказать следующие комплектующие: Stern X28 PUR 92 A прозрачныйStern X28 PUR 98 A синий