Онлайн каталог
Все для узлов вращения
Важное сообщение
Подшипники по суперцене: 23072 CC/C3W33 (SKF) – 3 шт. – 449872,5 руб. без НДС.
 
Шкивы о суперцене: 
Для клиновых ремней: 6SPC1250TB – по 97 134,42 руб. без НДС
Для клиновых ремней по американскому стандарту: 5-8V1250-F (KRB) – 5 шт. – 14896,43 руб. без НДС, 8-8V1250-J (KRB) – 5 шт. – 23057,36 руб. без НДС.

Звоните 88002017515 прямо сейчас!
Упругая муфта WN400 (WN400B00ZA)
Упругая муфта WN400 (WN400B00ZA)

WN400 (WN400B00ZA)

407 521.35 руб. с НДС (розничная)



Упругая муфта WN400 (WN400B00ZA)

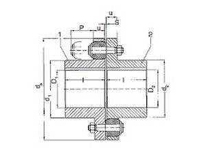
Обозначение:   WN400 (WN400B00ZA)

Типоразмер 400
Тип WN
D1 мин., мм 75
D1 макс., мм 140
d1, мм 230
l, мм 160
D2 мин., мм 75
D2 макс., мм 140
d2, мм 230
da, мм 400
u, мм 42
s, мм 3...6
Масса часть 1, кг 60
Масса часть 2, кг 60
Макс. частота вращения, об/мин. 1700
Номинальный крутящий момент, Нм 12.500
Область применения
Муфта Orpex используется в качестве компенсационной муфты там, где нужно обеспечить абсолютно надёжную передачу крутящего момента.
Серия WN производится из серого чугуна, а серия WS – из стали. Муфты серии WS применяют в приводах с высокими скоростями.
Выпуклые упругие элементы, которые вставляют в отверстия, позволяют компенсировать отклонения вала в радиальном и осевом направлении.
Муфты Orpex можно использовать для обоих направлений вращения.
Муфты Orpex применяют в различных областях машиностроения, особенно там, где используются мощные двигатели, как надёжный, практически не требующий обслуживания элемент.
Примечание
Муфта состоит из двух полумуфт. Материал - серый чугун.
Коды для заказа
Для данной муфты можно заказать следующие комплектующие: WB 360,400, LG 51.